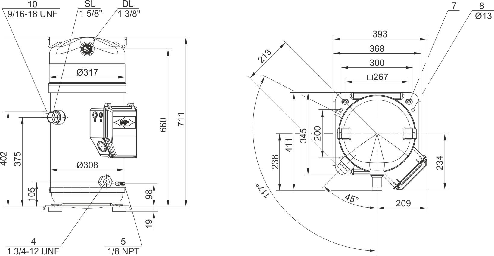
Anschlüsse und Maßzeichnungen
Rohrgrößen der ECO-Sauggasleitung für GED8: 1/2''
Bei Anlagen mit Rohrlängen > 1 m zwischen dem Flüssigkeitsunterkühler und dem ECO-Anschluss am Verdichter: um eine Größe größere Rohrgrößen verwenden!
ECO-Anschlussgrößen für GED8:
- 9/16-18 SAE O-Ring-Gewinde
- 3/8'' (1/2 OD) Kupfer, gelötet

Anschlusspositionen | |
|---|---|
1 | Hochdruckmessanschluss (HP) – Schrader |
2 | Hochdruckanschluss (HP) |
3 | Niederdruckanschluss (LP) |
4 | Schauglas |
5 | Ölwartungsanschluss |
6 | Anschluss für Öl- und Gasausgleich (Parallelbetrieb) |
7 | Montageposition für Schwingungsdämpfer |
8 | Montageposition für Tandem- und Trio-Befestigungsschienen (nur bei ungleichen Tandems) |
10 | Anschluss für Economiser (ECO) - nur bei |
11 | Erdungsanschluss für Gehäuse |
12 | Anschluss für Funktionserdung |
A | Anschluss für Steuerkabel |
B- | Motoranschluss (-) |
B+ | Motoranschluss (+) |
C | Verdichterbefestigung |
SL | Sauggasleitung |
DL | Druckgasleitung |
Maßangaben (falls angegeben) können Toleranzen entsprechend EN ISO 13920-B aufweisen.
Legende gilt für alle BITZER Scrollverdichter und enthält Anschlusspositionen, die nicht in jeder Verdichterserie vorkommen.