System design A
standard ejector system
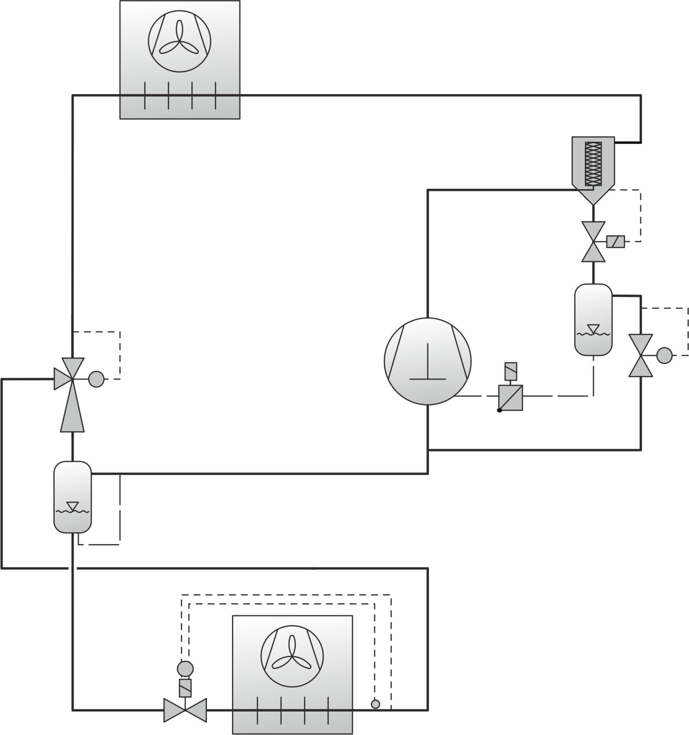
Standard system design when using R744 in heat pump systems and refrigeration systems with single-stage compression and expansion. Typically with only one evaporator.
Further features of this system design:
- The separator is at intermediate pressure and is referred to as the intermediate pressure vessel in the further description, see figure below.
- In the ejector, a polytropic expansion of the motive mass flow ① (see information) to a pressure level below the evaporation pressure occurs in the nozzle.
- The suction mass flow is sucked in via the ejector and combined with the motive mass flow in the mixing chamber (Operating principle).
- The pressure is increased to intermediate pressure in the diffuser (Operating principle).
- The outlet mass flow then flows into the intermediate pressure vessel. Liquid and gas are separated from each other.
- The liquid mass flow expands to evaporation pressure upstream of the evaporator and corresponds to the suction mass flow of the ejector.
- Depending on the system design, a superheat control or operation with a flooded evaporator can be used.
- The flash gas mass flow, which corresponds to the motive mass flow of the ejector, is sucked in as saturated vapour by the compressor and compressed to a high pressure level.
- To keep the refrigerant liquid share in the oil return line as low as possible, an oil return line must be connected to the intermediate pressure vessel and the polyalkylene glycol oil BSG68K from BITZER must be used.
Apart from that: Install a heat exchanger in the oil return line! - Depending on the system design, an adjustable or a non-adjustable ejector can be used. The adjustable ejector can also be used to optimise the high pressure.
① The available pressure difference in air-cooled systems depends on the gas cooler outlet temperature and the pressure in the intermediate pressure vessel.
The gas cooler outlet temperature in turn depends on the ambient temperature and gas cooler-specific criteria such as heat dissipation, surface and air volume flow. At high gas cooler outlet temperatures, the potential and kinetic energy available to the ejector is higher than at lower temperatures. The lower application limit of the ejector(s) is defined by a minimum temperature at the outlet of the gas cooler. Below this temperature or the corresponding pressure difference, the ejector no longer works satisfactorily, as the energy of the motive mass flow available at the nozzle is no longer sufficient to enable an increase in pressure of the suction mass flow.
