Применение с компрессорами BITZER
Моторы для пуска по схеме звезда-треугольник (моторы звезда-треугольник, моторы Y/Δ) используются в некоторых более крупных компрессорах, например
- являются стандартом для винтовых компрессоров HS.95 и CS.95.. 105, а также для поршневых компрессоров 8FTE..8FTE .. 8CTC (для транскритических R744 применений),
- доступны в качестве опция для поршневых компрессоров 4VES .. 4VES .. 8FE и винтовых компрессоров HS.85, CS.65 .. 85.
Подходящие моторы BITZER для пуска по схеме звезда-треугольник
Для поршневых компрессоров BITZER. для пуска по схеме звезда-треугольник могут подойти те моторы, которые отмечены в Технической информации KT-410 с кодом мотора "..D" или "..S" и подключением мотора "∆" и "Y" (возможно, в разных строках). Кроме того, следует учитывать наличие указанных диапазонов напряжения в сети напряжения на месте. При необходимости проконсультируйтесь с BITZER.
Диапазон напряжения | Номинальное напряжение | Код мотора | Подключение мотора | Номинальное напряжение | Диапазон напряжения |
|---|---|---|---|---|---|
50 Hz | 60 Hz | ||||
220-240 | 230 | 40S | ∆ | - | - |
380-420 | 400 | 40S | Y | 460 | 440-480 |
380-420 | 400 | 70S | ∆ | 460 | 440-480 |
660-720 | 690 | 70S | Y | - | - |
Для пуска по схеме звезда-треугольник подходят те моторы, которые отмечены в Технической информации ST-410 с кодом мотора "D" и подключением мотора "Y/∆".
Диапазон напряжения | Номинальное напряжение | Код мотора | Подключение мотора | Номинальное напряжение | Диапазон напряжения |
|---|---|---|---|---|---|
50 Hz | 60 Hz | ||||
380-415 | 400 | 40D | Y/∆ | 460 | 440-480 |
Для данного компрессора на наклейке на крышке клеммной коробки указаны возможные методы пуска. Для пуска звезда-треугольник может потребоваться удаление перемычек для прямого пуска.
Пусковой ток для схемы пуска звезда-треугольник
Пусковой ток приведенный в Bitzer Software относится к измеренному пусковому току, при заблокированном роторе трехфазного мотора (среднее значение токов на L1, L2 и L3, измеренное одновременно через 4 s). Этот пусковой ток (заблокированный ротор) относится к RMS значению (среднеквадратичное значение): Для его расчета пиковое значение соответствующей переменной (здесь ток) делится на √2. Пусковой ток в звезде (заблокированный ротор) соответствует номинальному рабочему напряжению при подключении в треугольник. Если мотор запускается напрямую в звезду или треугольником, это максимальные ожидаемые пусковые токи. Однако первая измеренная амплитуда может быть больше из-за больших дисбалансов.
При пуске звезда-треугольник макс. пусковой ток можно уменьшить до прибл. 66% пускового тока треугольника (ротор заблокирован) в BITZER SOFTWARE. Однако это зависит от конкретного компрессора. Кроме того, необходимо оптимально согласовать этап звезды и время перехода, использовать IEC подключение и правильно применить разгрузку при пуске.
Информация в Bitzer Software
Если конкретный компрессор выбран в Bitzer Software, доступные моторы отображаются в разделе «Электропитание» — «Напряжение питания» в соответствии с указанной частотой сети (дополнительные моторы для Северной Америки (UL) в разделе «60Hz UL»). Предварительно подобран стандартный мотор.
Подбор соответствует спецификациям в Технической информации по кодам моторов:
Всю дополнительную информацию о моторе можно найти во вкладке «Технические данные» в разделе «Данные мотора»:

Конфигурация пуска звезда-треугольник
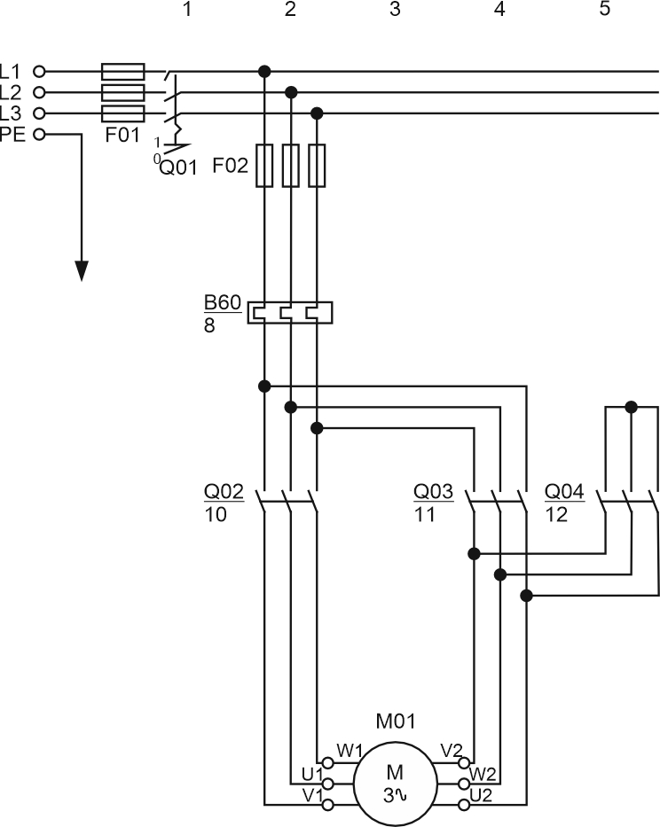
Для пуска звезда-треугольник в главной цепи требуется 3 контактора:
- главный контактор: подключен к 3 фазам
- контактор звезды: устанавливает мост звезды
- контактор треугольника: устанавливает соединение треугольником
Если продолжительность этапа звезда и времени перехода не контролируется модулем компрессора, его необходимо правильно настроить. В целом применяется следующее: Мотор звезда-треугольник "Y/Δ"
При пуске звезда-треугольник обычно требуется дополнительная разгрузка при пуске (Дополнительная разгрузка при пуске (SU)).
Измерение реального пускового тока при пуске звезда-треугольник и при прямом пуске в звезду.
Пусковой ток компрессора нельзя измерять на кабелях между распределительным шкафом и компрессором (обведены красным на рисунке), потому что тогда по ошибке также измеряется ток через контактор звезды. Во избежание этого пусковой ток следует измерять непосредственно на предохранителе компрессора или перед ним (обведено зеленым на рисунке):
Настройка в Best Software
При использовании компрессорных модулей CM-RC или CM-SW модуль управляет контакторами для желаемого режима пуска и, при необходимости, разгрузкой при пуске. Подробнее см. в Технической информации.
- KT-230: Техническая информация Модуль компрессора CM-RC-01 для поршневых компрессоров
- KT-231: Техническая информация Модуль компрессора CM-RC-01 для поршневых 8-ми цилиндровых компрессоров
- KT-240: Техническая информация Модуль компрессора CM-RC-02 для поршневых компрессоров
- ST-150: Модуль компрессора для винтовых компрессоров CM-SW-01
Методы пуска можно установить в Best Software:

Схема подключения в клеммной коробке компрессора
ПРЕДУПРЕЖДЕНИЕ
Опасность поражения электрическим током!
Перед выполнением любых работ в клеммной коробке: Выключите главный выключатель и заблокируйте его от повторного включения!
Закройте клеммную коробку перед повторным включением!
Выполняйте подключения правильно!
Неправильное расключение электрических соединений приводит к короткому замыканию!
В крышке клеммной коробки компрессоров BITZER на клейкой этикетке показаны возможные методы пуска и соответствующее подключение фаз сети к контактам мотора. Для прямого пуска может потребоваться установка входящих в комплект перемычек.
Схема подключения поршневых компрессоров:
- KB-100: Инструкция по эксплуатации Полугерметичные поршневые компрессоры
Схема подключения винтовых компрессоров:
На следующем рисунке показана внутреннее расключение мотора:
Q02: главный контактор (пуск звезда-треугольник) соотв. контактор компрессора (прямой пуск)
Q03: контактор треугольника
Q04: контактор звезды
(1): перемычки для прямого пуска (опциональный аксессуар)
Принципиальные схемы подключения
На принципиальной схеме пуск звезда-треугольник изображается, например так:

Q02: главный контактор
Q03: контактор треугольника
Q04: контактор звезды
M01: мотор
Принципиальные схемы подключения компрессоров BITZER:
- AT-300: Принципиальные электрические схемы для оборудования BITZER