Parallelbetrieb mit Economiser
Parallelbetrieb erfordert eine individuelle und sorgfältige Bewertung und Ausführung bezüglich Ölrückführung und Ölausgleich zwischen den Verdichtern.
Parallelverbund mit individuellen Flüssigkeitsunterkühlern
Beim Einsatz von individuellen Flüssigkeitsunterkühlern gelten die gleichen Richtlinien wie für Einzelverdichter. Die beiden Magnetventile im Unterkühlungskreislauf werden über einen Hilfskontakt parallel zum Verdichterschütz angesteuert. Falls die Verdichter mit Leistungsregelung betrieben werden und der ECO-Anschluss nur bei Volllast aktiv ist, müssen die Magnetventile bei Teillast abgeschaltet werden.
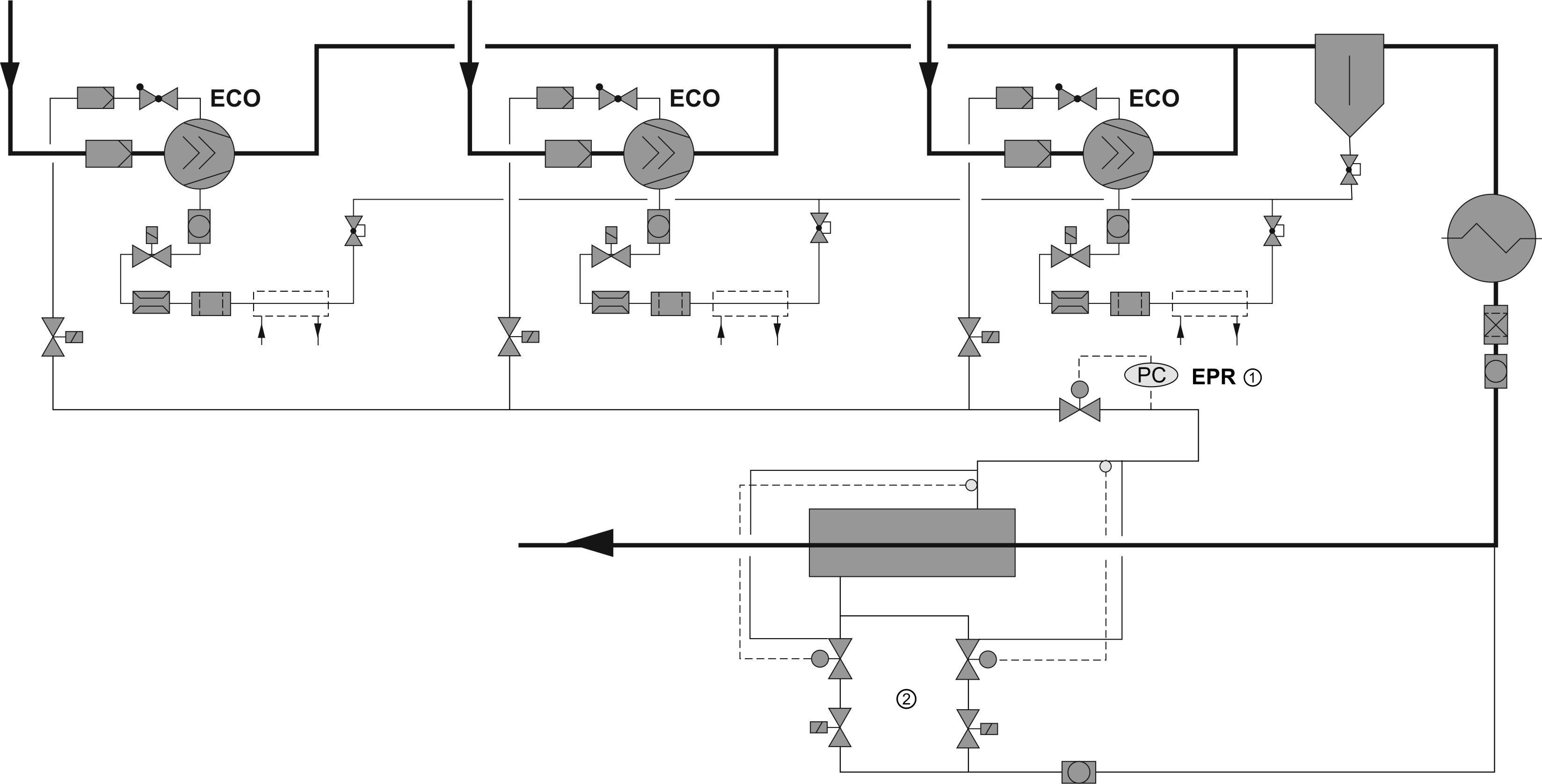
Parallelverbund mit gemeinsamem Flüssigkeitsunterkühler
Im Falle eines gemeinsamen Unterkühlers müssen in jedem Rohrabschnitt zum ECO-Anschluss eines Verdichters je ein Magnet- und ein Rückschlagventil sowie ein Sauggasfilter vorgesehen werden. Das Magnetventil wird parallel zum Verdichterschütz über einen Hilfskontakt angesteuert.
Für Teillastbetrieb muss der gemeinsame Unterkühler und das Expansionsventil sehr sorgfältig ausgelegt werden. V. a. die Kältemittelverteilung und Gasströmungsgeschwindigkeit muss berücksichtigt werden. Bei Betrieb über einen größeren Leistungsbereich kann der Einsatz von zwei Expansionsventilen (z. B. 33% und 66%) zweckmäßig sein, die alternativ – je nach Lastzustand – über die betreffenden Magnetventile mit Flüssigkeit beaufschlagt werden. Für extreme Bedingungen wird ein Unterkühler mit Unterteilung auf der Verdampferseite empfohlen.
Falls die Verdichter mit Leistungsregelung betrieben werden, muss nach dem Unterkühler ein Verdampferdruckregler (EPR) in der ECO-Sauggasleitung installiert werden. Er sollte auf einen Druck eingestellt werden, der geringfügig unterhalb des Wertes bei Vollastbedingungen liegt. Der Regler kann durch entsprechende Justierung auch dazu benutzt werden, die Flüssigkeitstemperatur auf einem definierten Wert zu halten.
➀ Bei Betrieb mit Leistungsregelung
➁ Bei Betrieb mit 2 Expansionsventilen unterschiedlicher Leistung

Parallelbetrieb mit Economiser bei Anlagen mit R717
- AT-640: Einsatz von Ammoniak (R717) mit Bitzer Verdichtern
