Refroidisseurs d’huile Bitzer refroidis par eau
Bitzer propose les refroidisseurs d'huile externes refroidis à l'eau suivants (ne convient pas pour le R717 - NH3) :
Série OWD

Série OWD | Volume d'huile dans circuit frigorifique | Volume du fluide caloporteur |
|---|---|---|
Fluides autorisés | Huile suivant à ISO6743-3, DIN51503-1 | Eau/saumure Pour la série OWD..B, aussi l'eau de mer |
PS max | 32 bar | 10 bar |
PS min | -1 bar | 0 bar |
TS max | 150°C | 95°C |
TS min | -20°C | 4°C |
Série OW

Série OW | Volume d'huile dans circuit frigorifique | Volume du fluide caloporteur |
|---|---|---|
Fluides autorisés | Huile suivant à ISO6743-3, DIN51503-1 | Eau/saumure Pour la série OW..B, aussi l'eau de mer |
PS max | 28 bar | 10 bar |
PS min | -1 bar | 0 bar |
TS max | 120°C | 95°C |
TS min | -10°C | 4°C |
Les valeurs pour la pression admissible (PS) et la température admissible (TS) s'appliquent à l'approbation selon la Directive UE sur les équipements sous pression.
Selon la procédure d'approbation, les champs d'application peuvent se situer à l'intérieur des valeurs spécifiées. Pour les territoires d'application en dehors de l'Union européenne, le signe d'organisme de contrôle ou une plaque de désignation alternative est apposée sur l'équipement sous pression.
Caractéristiques techniques
Série OWD | Poids[kg] | Volume d'huile [dm3] | Volume du fluide caloporteur [dm3] |
|---|---|---|---|
OWD1307(B)-10-.. | 36 | 7,0 | 2,7 |
OWD1307(B)-20-.. | 38 | 6,3 | 3,2 |
OWD1310(B)-20-.. | 46 | 8,4 | 4,1 |
OWD1607(B)-20-.. | 60 | 8,5 | 5,6 |
OWD1610(B)-20-.. | 71 | 11,4 | 7,1 |
OWD1612(B)-20-.. | 77 | 14,5 | 8,5 |
OWD1615(B)-20-.. | 89 | 18,2 | 10,4 |
OWD1618(B)-20-.. | 102 | 22,0 | 12,2 |
OWD2112(B)-20-.. | 125 | 23,6 | 16,3 |
OWD2115(B)-20-.. | 143 | 29,7 | 19,8 |
OWD2118(B)-20-.. | 185 | 35,8 | 23,3 |
OWD2712(B)-20-.. | 198 | 34,5 | 28,3 |
OWD2715(B)-20-.. | 229 | 43,4 | 34,1 |
OWD2718(B)-20-.. | 260 | 52,3 | 39,8 |
OWD3212(B)-20-.. | 263 | 48,2 | 40,4 |
OWD3215(B)-20-.. | 307 | 60,7 | 48,7 |
OWD3218(B)-20-.. | 349 | 73,1 | 57,1 |
Série OW | Poids [kg] | Volume d'huile [dm3] | Volume du fluide caloporteur [dm3] |
|---|---|---|---|
OW401(B) | 33 | 10,5 | 2,2 |
OW501(B) | 38 | 14,0 | 2,6 |
OW781(B) | 60 | 18,0 | 4,5 |
OW941(B) | 75 | 24,0 | 5,4 |
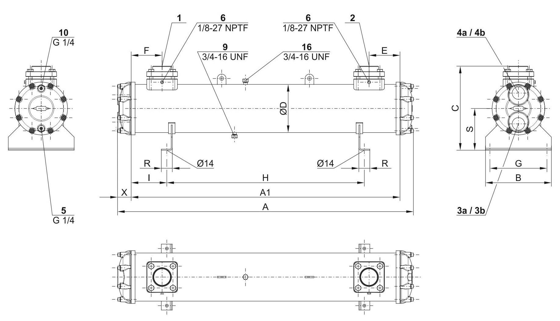
Raccords de tube
Série OWD

Type | 1 | 2 | 3a | 3b | 4a | 4b | 6 |
|---|---|---|---|---|---|---|---|
OWD1307(B)-10-.. | DN40 | DN40 | G 1 | G 1 | G 1 | G 1 | - |
OWD1307(B)-20-.. | DN40 | DN40 | G 1 | G 1 | G 1 | G 1 | - |
OWD1310(B)-20-.. | DN40 | DN40 | G 1 | G 1 | G 1 | G 1 | - |
OWD1607(B)-20-.. | DN50 | DN50 | G 1 1/2 | G 2 | G 1 1/2 | G 2 | - |
OWD1610(B)-20-.. | DN50 | DN50 | G 1 1/2 | G 2 | G 1 1/2 | G 2 | - |
OWD1612(B)-20-.. | DN50 | DN50 | G 1 1/2 | G 2 | G 1 1/2 | G 2 | - |
OWD1615(B)-20-.. | DN50 | DN50 | G 1 1/2 | G 2 | G 1 1/2 | G 2 | - |
OWD1618(B)-20-.. | DN50 | DN50 | G 1 1/2 | G 2 | G 1 1/2 | G 2 | - |
OWD2112(B)-20-. | DN80 | DN80 | G 2 | G 2 | G 2 | G 2 | ✓ |
OWD2115(B)-20-.. | DN80 | DN80 | G 2 | G 2 | G 2 | G 2 | ✓ |
OWD2118(B)-20-.. | DN80 | DN80 | G 2 | G 2 | G 2 | G 2 | ✓ |
OWD2712(B)-20-.. | DN100 | DN100 | G 2 1/2 | G 4 | G 2 1/2 | G 4 | ✓ |
OWD2715(B)-20-.. | DN100 | DN100 | G 2 1/2 | G 4 | G 2 1/2 | G 4 | ✓ |
OWD2718(B)-20-.. | DN100 | DN100 | G 2 1/2 | G 4 | G 2 1/2 | G 4 | ✓ |
OWD3212(B)-20-.. | DN100 | DN100 | G 4 | G 3 | G 4 | G 3 | ✓ |
OWD3215(B)-20-.. | DN100 | DN100 | G 4 | G 3 | G 4 | G 3 | ✓ |
OWD3218(B)-20-.. | DN100 | DN100 | G 4 | G 3 | G 4 | G 3 | ✓ |
Les diamètres nominaux (DN) ne sont pas des dimensions concrètes !
Les diamètres nominaux DN10 .. DN200 n'indiquent que des niveaux ! Ce chiffre n'est pas une valeur mesurable, il n'a qu'un rapport indirect avec les diamètres des raccords et ne doit pas être utilisé dans les calculs.
Série OW
Type | 1 | 2 | 3a | 3b | 4a | 4b | 5 | 9 |
|---|---|---|---|---|---|---|---|---|
OW401(B) | 22 (7/8'') | 22 (7/8'') | G 3/4 | 2 x G 3/4 | G 3/4 | G 1 | - | 10 |
OW501(B) | 22 (7/8'') | 22 (7/8'') | G 3/4 | 2 X G 3/4 | G 3/4 | G 1 | - | 10 |
OW781(B) | 28 (1 1/8'') | 28 (1 1/8'') | G 1 | 2 x G 1 | G 1 | G 1 1/2 | G 1/4 | 10 |
OW941(B) | 35 (1 3/8'') | 35 (1 3/8'') | G 1 | 2 x G 1 | G 1 | G 1 1/2 | G 1/4 | 10 |
Positions des raccords | ||
|---|---|---|
1 | Entrée de fluide frigorigène / d'huile | |
2 | Sortie de fluide frigorigène / d'huile | |
2a | Sortie alternative de fluide frigorigène | |
3 | Entrée de fluide caloporteur | |
3a | 4 ou 6 passages | |
3b | 2 ou 3 passages | |
4 | Sortie de fluide caloporteur | |
4a | 4 ou 6 passages | |
4b | 2 ou 3 passages | |
5 | Vidage du fluide caloporteur | |
6 | Raccord du manomètre | |
7 | Raccord pour la soupape de décharge | |
8 | Voyant | |
9 | Vidange d'huile | |
10 | Bouchon de purge pour fluide caloporteur | |
11 | Rails de fixation inférieur | |
12 | Rails de fixation supérieur | |
13 | Raccord pour réchauffeur | |
14 | Raccord de mesure sur l'entrée de fluide caloporteur | |
15 | Raccord de mesure sur la sortie de fluide caloporteur | |
16 | Bouchon de purge pour fluide frigorigène ou huile | |
Les dimensions indiquées sont susceptibles de présenter une tolérance selon la norme EN ISO13920-B.
La légende vaut pour tous les condenseurs multitubulaires, désurchauffeurs de gaz sous pression refroidis par eau, refroidisseurs d'huile et échangeurs de chaleur. Elle comprend des positions des raccords qui ne sont pas disponibles sur toutes les séries.
Pour les données de puissance, les croquis cotés et autres informations, voir BITZER SOFTWARE ou l' instruction de service correspondant :
