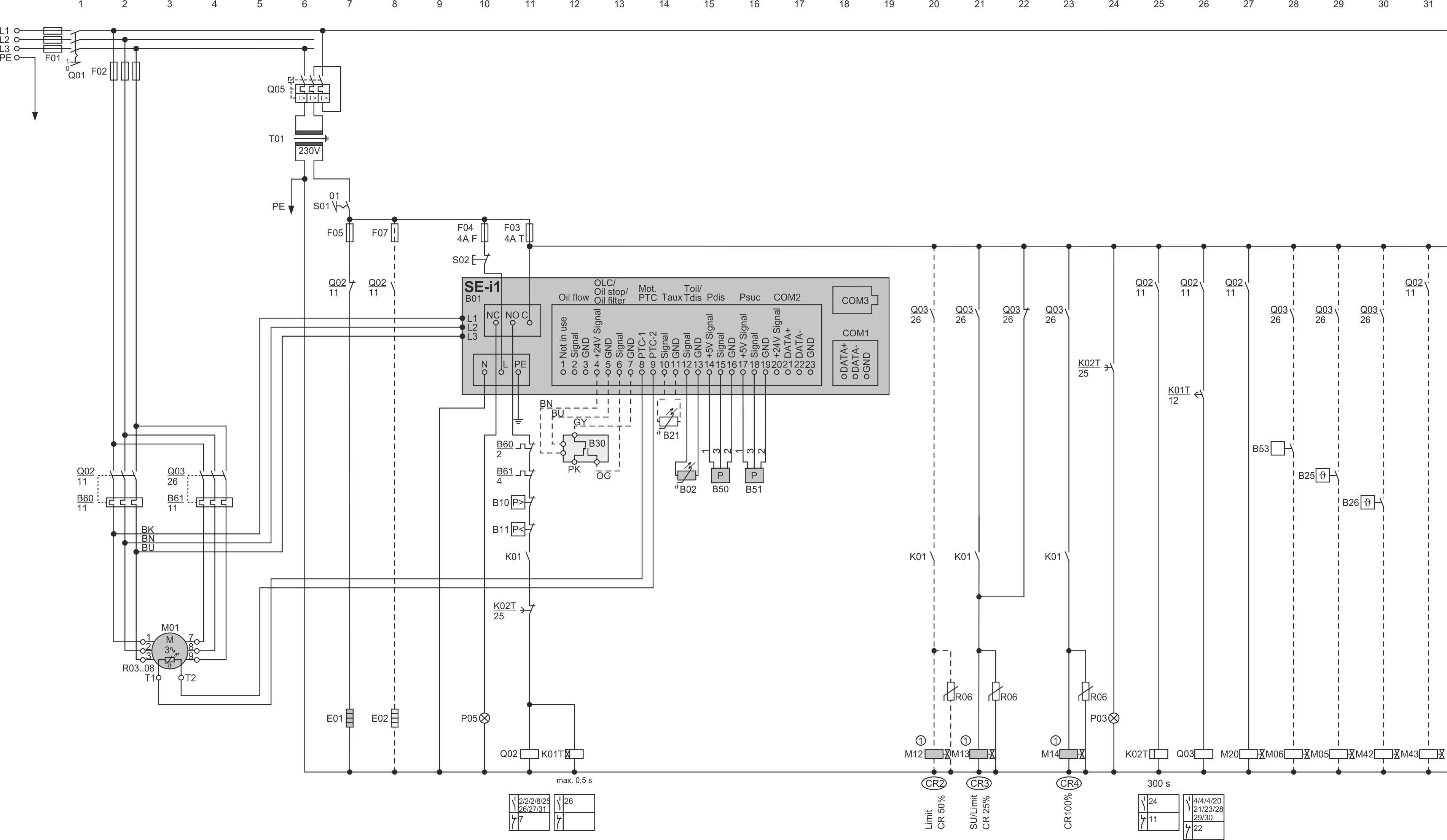
CS.65 .. 95 с SE-i1, PW пуск, бесступенчатое регулирование производительности, полный комплект датчиков

Последняя версия эл. схемы:
03.02.2025
Сокр. | Компонент |
|---|---|
B01 | Защитное устройство компрессора |
B02 | Датчик температуры нагнетаемого газа |
B03 .. 08 | Датчик температуры в обмотках мотора |
B10 | Реле высокого давления |
B11 | Реле низкого давления |
B16 | additional discharge gas temperature sensor |
B21 | Опциональный датчик температуры |
B25 | Термостат управления LI |
B26 | Термостат управления для дополнительного впрыска масла, CSV: для охлаждения масла |
B30 | Реле уровня масла |
B50 | Датчик высокого давления |
B51 | Датчик низкого давления |
B53 | Активация ECO |
B60 | Устройство защиты от перегрузки |
B61 | Устройство защиты от перегрузки для второй разделенной обмотки |
E01 | Подогреватель масла |
E02 | Подогреватель клеммной коробки |
F01 | Главный предохранитель |
F02 | Предохранитель компрессора |
F03 | Предохранитель цепи управления |
F04 | Предохранитель защитного устройства компрессора или компрессорного модуля |
F05 | Предохранитель подогревателя масла |
F07 | Предохранитель подогревателя клеммной коробки |
F08 | Предохранитель устройства контроля направления вращения |
K01 | Вышестоящий контроллер |
K01T | Реле времени для пуска с разделенными обмотками или по схеме звезда – треугольник |
K02T | Реле времени для минимального времени простоя компрессора |
K06T | Реле времени для регулятора производительности |
K07T | Реле времени для разгрузки при запуске |
K10 | Вспомогательное реле для сообщения о статусе компрессора |
K11 | Вспомогательное реле для сообщения о статусе компрессора |
M01 | Мотор компрессора |
M05 | Соленойдный клапан для впрыска хладагента с клапаном впрыска LI, RI или CIC |
M06 | Соленойдный клапан для экономайзера (ECO) |
M11 | Соленойдный клапан для регулятора производительности 1, CR1, CR+, CRII-2 или разгрузки при пуске |
M12 | Соленойдный клапан для регулятора производительности 2, CR2, CR или CRII-1 |
M13 | Соленойдный клапан для регулятора производительности 3, CR3 или CRII-3 |
M14 | Соленойдный клапан для регулятора производительности CR4 |
M20 | Соленойдный клапан для жидкостной линии |
M30 | Вентилятор испарителя |
M42 | Соленойдный клапан для дополнительного впрыска масла |
M43 | Соленойдный клапан для трубопровода маслоохладителя |
P03 | Лампа: активирована задержка по времени |
P05 | Лампа: авария компрессора |
P11 | Лампа: авария FI |
Q01 | Главный выключатель |
Q02 | Контактор для первой разделенной обмотки (PW) или главный контактор (Y/Δ) или контактор компрессора при прямом пуске |
Q03 | Контактор второй разделенной обмотки (PW) или контактор для подключения обмотки «треугольником» (Y/Δ) |
Q04 | Контактор для подключения обмотки «звездой» (Y/Δ) |
Q05 | Предохранитель разделительного трансформатора |
R06 | Помехоподавляющее устройство (при необходимости, напр. фирмы Murr Elektronik) |
S01 | Выключатель управления (вкл./выкл.) |
S02 | Разблокировка цепи защит компрессора |
T01 | Трансформатор цепи управления (пример для 230 V, требуется согл. EN60204-1) |
T02 | Преобразователь частоты (ПЧ) |
Техническая документация для дополнительной информации: