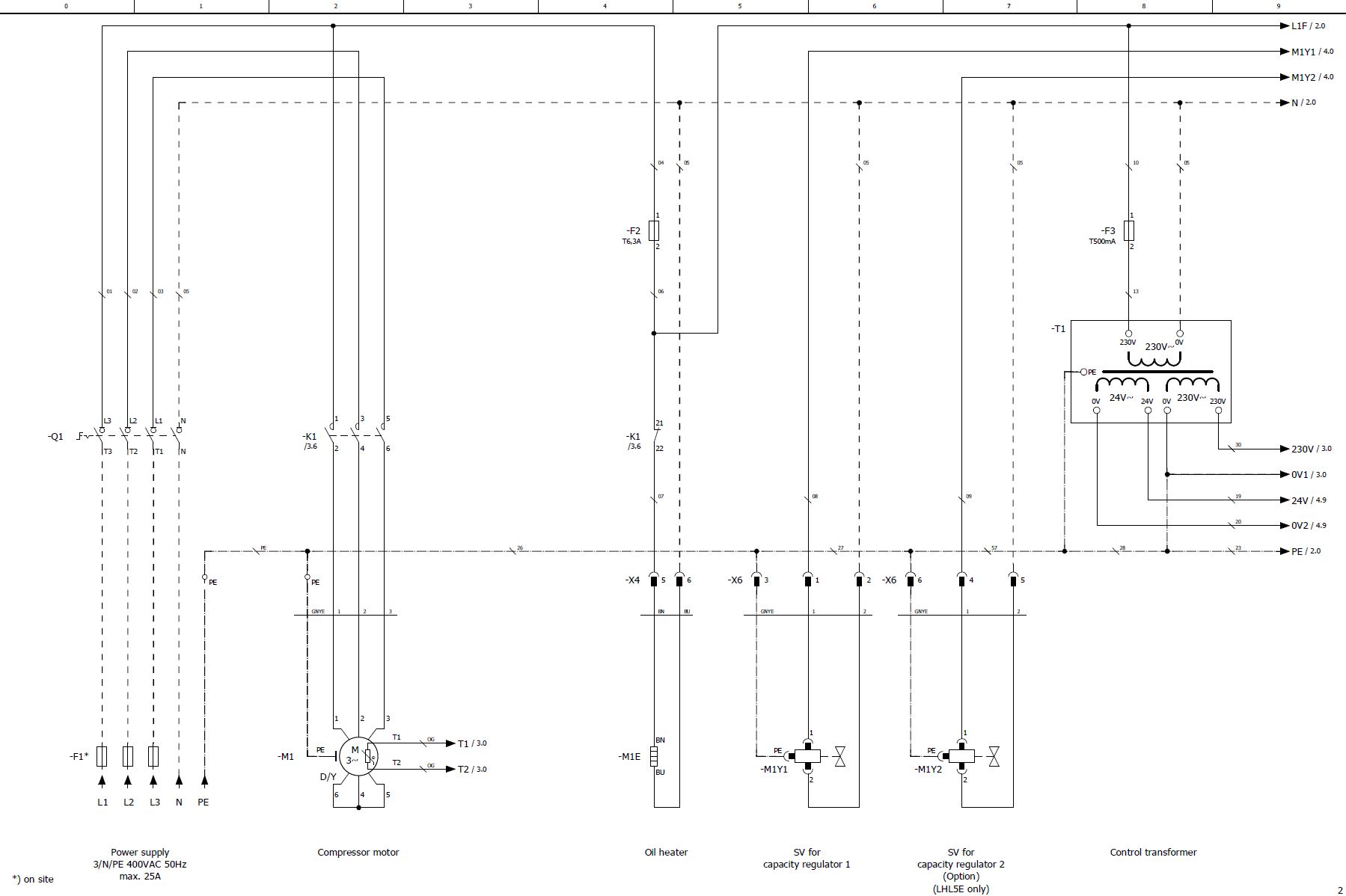
ECOLITE LHL3E и LHL5E




Последняя версия эл. схемы:
15.11.2023
Сокр. | Компонент | |
|---|---|---|
B1 | Контроллер | |
B3 | Датчик высокого давления (линия жидкости) | |
B4 | Датчик низкого давления (линия всасывания) | |
C1 | Рабочий конденсатор Вентилятор 1 | |
C2 | Рабочий конденсатор Вентилятор 2 | |
F2 | Номинал предохранителя 230 V | |
F3 | Предохранитель цепи управления | |
F5 | Реле высокого давления | |
F6 | Реле низкого давления | |
K1 | Главный контактор | |
K03 | Компрессорный модуль | |
K5 | Реле для рекуперации тепла (опция, только для LHL5E) | |
M1 | Компрессор | |
M1E | Подогреватель масла | |
M1Y1 | CRII соленойдный клапан 1 | |
M1Y2 | CRII соленойдный клапан 2 (опция, только для LHL5E) | |
M2 | Вентилятор 1 | |
M3 | Вентилятор 2 (только для LHL5E) | |
M4 | Дополнительный вентилятор | |
N2 | Модуль управления вентилятором | |
OLC-K1 | Мониторинг масла (опция) | |
Q1 | Сервисный выключатель | |
R3 | Датчик температуры нагнетаемого газа | |
R4 | Датчик температуры окружающего воздуха | |
R5 | Датчик температуры в холодильной камере (опция) | |
R8 | Датчик температуры всасываемого газа | |
SE-B* | Защитное устройство | |
S12 | Дверной выключатель | |
T1 | Разделительный трансформатор |
Цвета проводов указаны в соответствии со стандартом IEC DIN60757.
Техническая документация для дополнительной информации:
- KB-206: Инструкция по эксплуатации Ecolite - Компрессорно-конденсаторные агрегаты с воздушным охлаждением