ECOLITE LHL7E




Dernière modification du schéma :
15.11.2023
Abbr. | Composant |
|---|---|
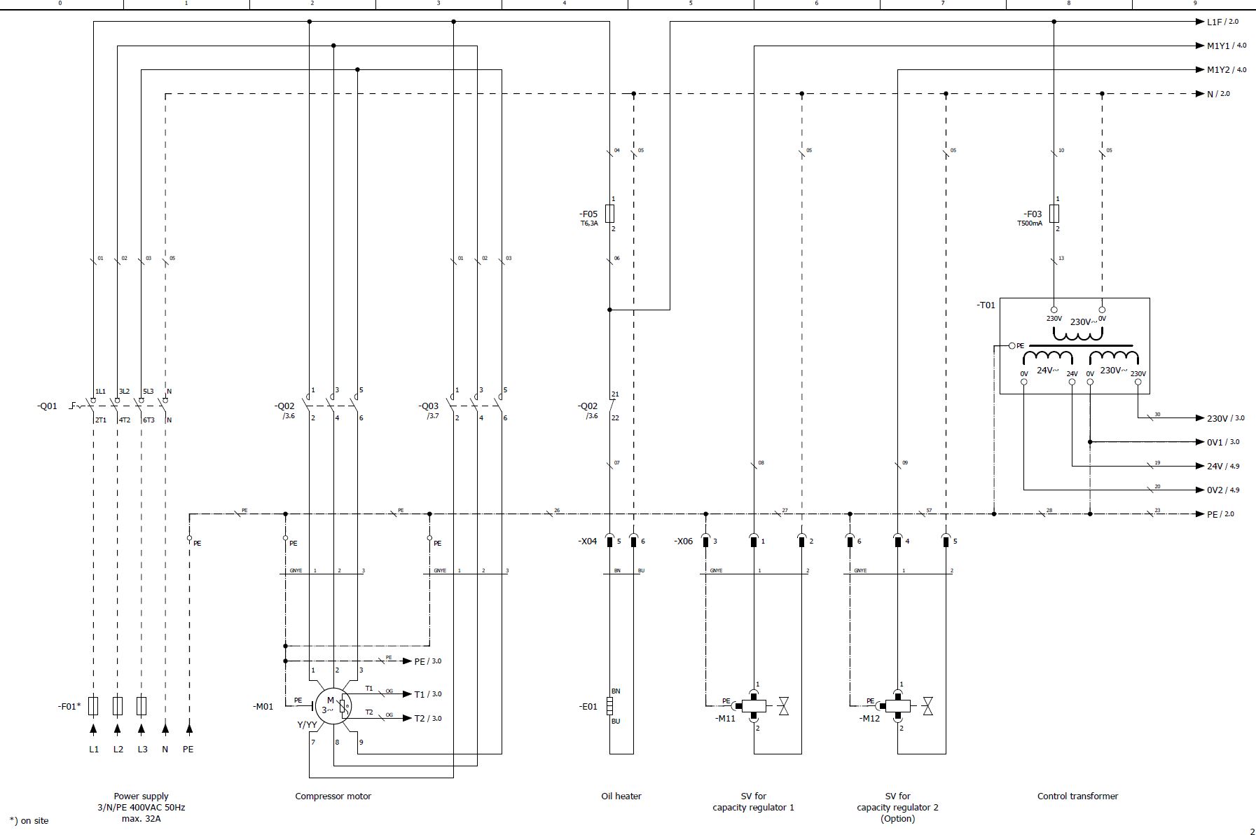
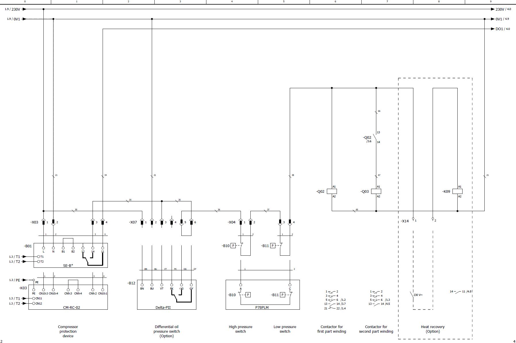
B01 | Dispositif de protection du compresseur |
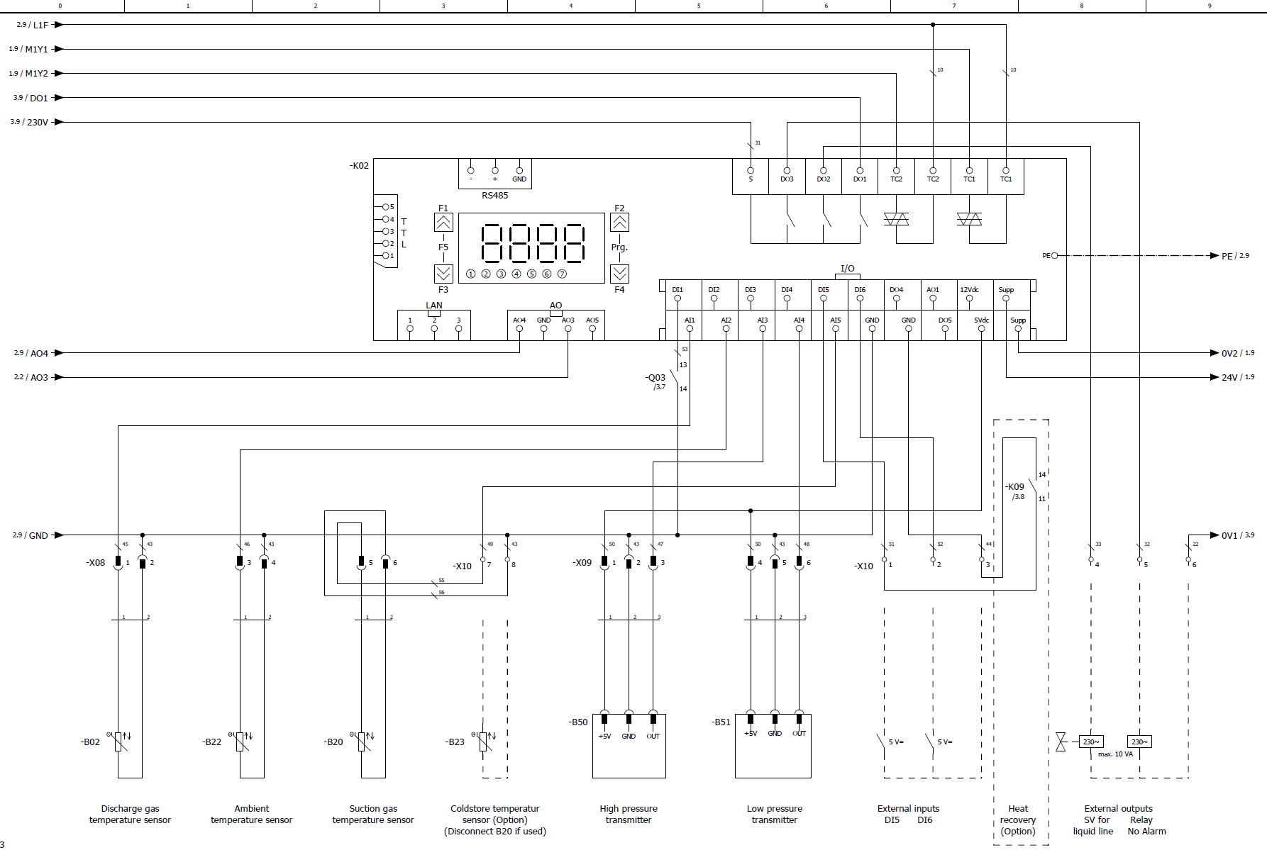
B02 | Sonde de température du gaz de refoulement |
B10 | Pressostat haute pression |
B11 | Pressostat basse pression |
B12 | Pressostat différentiel d'huile |
B20 | Sonde de température du gaz d'aspiration |
B22 | Sonde de température ambiante |
B23 | Sonde de température d'enceinte réfrigérée |
B50 | Transmetteur de haute pression |
B51 | Transmetteur de basse pression |
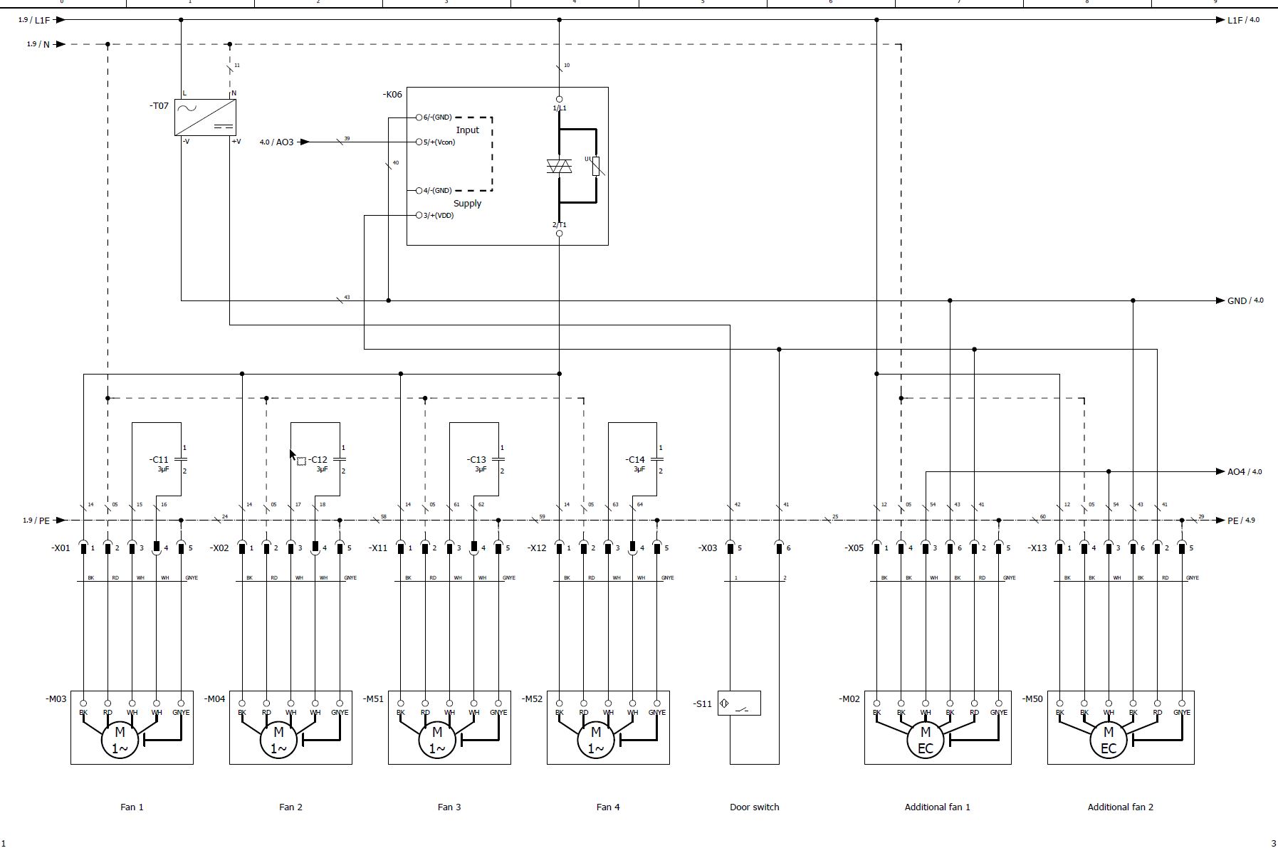
C11 | Condensateur de service pour ventilateur 1 |
C12 | Condensateur de service pour ventilateur 2 |
C13 | Condensateur de service pour ventilateur 3 |
C14 | Condensateur de service pour ventilateur 4 |
E01 | Réchauffeur d'huile |
F01 | Fusible principal |
F03 | Fusible du circuit de commande |
F05 | Fusible du réchauffeur d'huile |
K02 | Régulateur du groupe de condensation |
K03 | Module du compresseur |
K06 | Module de commande pour ventilateur(s) |
K09 | Relais auxiliaire pour récupération de la chaleur |
M01 | Moteur du compresseur |
M02 | Ventilateur additionnel |
M03 | Ventilateur 1 |
M04 | Ventilateur 2 |
M11 | VM pour régulateur de puissance 1, CR1, CR+, CRII-2 ou démarrage à vide |
M12 | VM pour régulateur de puissance 2, CR2, CR- ou CRII-1 |
M50 | Ventilateur additionnel 2 |
M51 | Ventilateur 3 |
M52 | Ventilateur 4 |
Q01 | Interrupteur principal |
Q02 | Contacteur pour premier bobinage (PW) ou contacteur principal (Y/Δ) ou contacteur du compresseur (démarrage direct) |
Q03 | Contacteur pour second bobinage (PW) ou contacteur triangle (Y/Δ) |
S11 | Contacteur de porte |
T01 | Transformateur de commande (exemple pour 230 V, requis suivant à EN60204-1) |
T07 | Dispositif d'alimentation en tension pour tension auxiliaire |
Les couleurs des câbles sont notées conformément à la norme IEC DIN60757.
Documents techniques complémentaires :
- KB-206 : Instructions de service Ecolite – groupes de condensation refroidis par air