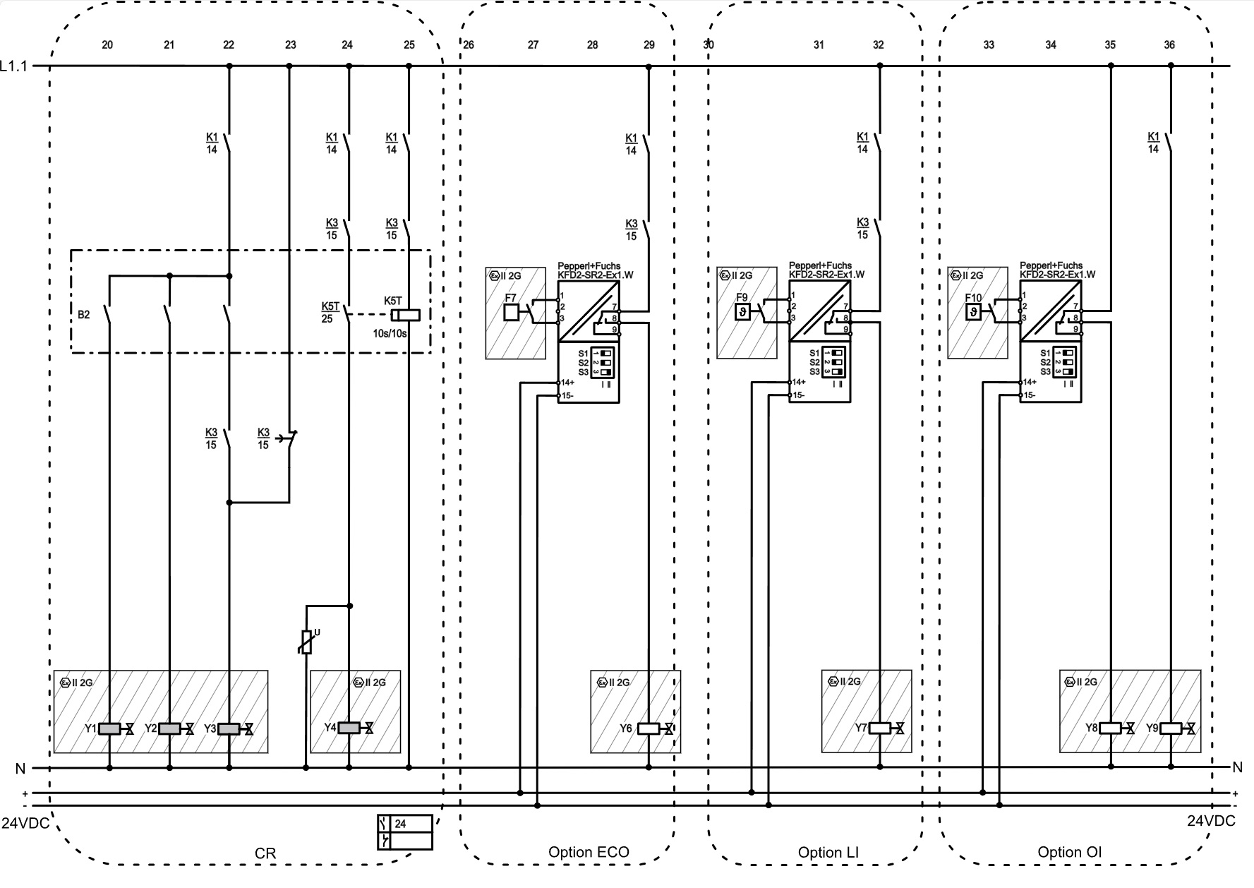
CS. protection Ex, zone 1
Dernière modification du schéma :
13.03.2019
Abr. | Composant | |
|---|---|---|
B2 | Régulateur supérieur | |
F1 | Fusible principal | |
F2 | Fusible de compresseur | |
F3 | Fusible du circuit de commande pour basse tension | |
F4 | Fusible du réchauffeur d’huile | |
F5 | Pressostat haute pression | |
F6 | Pressostat basse pression | |
F7 | Retard à l’enclenchement « ECO » | |
F8-1 | Contrôleur de niveau d’huile (niveau d’huile minimal) | |
F8-2 | Contrôleur de niveau d’huile (niveau d’huile maximal) | |
F9 | Thermostat de commande « injection de fluide frigorigène » | |
F10 | Thermostat de commande pour une injection d’huile supplémentaire | |
F13 | Dispositif de protection contre les surcharges | |
F17 | Fusible du transformateur de commande | |
F18 | Fusible du circuit de commande pour très basse tension | |
H1 | Luminaire « défaut de moteur » (surchauffe/défaillance de phase) | |
H2 | Luminaire « temps de pause » | |
H4 H4-1 H4-2 | Luminaire « défaut de niveau d’huile » | |
K1 | Contacteur « 1er bobinage partiel » (PW) ou contacteur principal (étoile-triangle) | |
K2 | Contacteur « 2ème bobinage partiel » (PW) ou contacteur triangle (étoile-triangle) | |
K3 | Contacteur étoile (étoile-triangle) | |
K4 | Contacteur auxiliaire | |
K2T | Relais temporisé « temps de pause » 300 s | |
K3T | Relais temporisé « bobinage partiel » 0,5 s ou « étoile-triangle » 1 s ,« étoile-triangle » à partir de CS.95 : 1,5 .. 2 s | |
K4T | Relais temporisé « contrôleur de niveau d’huile » 90 s | |
K5T | Relais batteur « CR4 » clignotement marche/arrêt 10 s | |
M1 | Compresseur | |
Q1 | Interrupteur principal | |
R1 | Réchauffeur d’huile | |
R2 | Sonde de température d’huile/sonde de température du gaz de refoulement | |
R3..8 | Sonde de température dans le moteur | |
S1 | Commutateur de commande (marche/arrêt) | |
S2 | Déverrouillage « température du moteur & du gaz de refoulement » ou « sens de rotation du moteur » | |
T1 | Transformateur de commande (exemple de 230 V, nécessaire selon EN60204-1) | |
U | Élément d’antiparasitage : varistance ou élément RC, si nécessaire | |
Y1 | Vanne magnétique « régulateur de puissance » CR1 | |
Y2 | Vanne magnétique « régulateur de puissance » CR2 | |
Y3 | Vanne magnétique « régulateur de puissance » CR3 | |
Y4 | Vanne magnétique « régulateur de puissance » CR4 | |
Y5 | Vanne magnétique « conduite de liquide » | |
Y6 | Vanne magnétique « ECO » | |
Y7 | Vanne magnétique « injection de fluide frigorigène » | |
Y8 | Vanne magnétique « injection d’huile supplémentaire » | |
Y9 | Vanne magnétique « conduite refroidisseur d’huile » | |
SE-* | Dispositif de protection du compresseur pour la température du moteur et du gaz de refoulement ① |
① Le basic sensor kit SE-i1 ne peut pas être utilisé pour l’évaluation de l’OLC, il ne doit être équipé ni du kit de montage ultérieur ni d’une sonde de température optionnelle et il n’est pas câblé ou testé en usine.
Documents techniques complémentaires :
- SB-179 : Instructions de service Compresseurs à vis compacts hermétiques accessibles en version spéciale antidéflagrante
