Schaltbild Teil 1

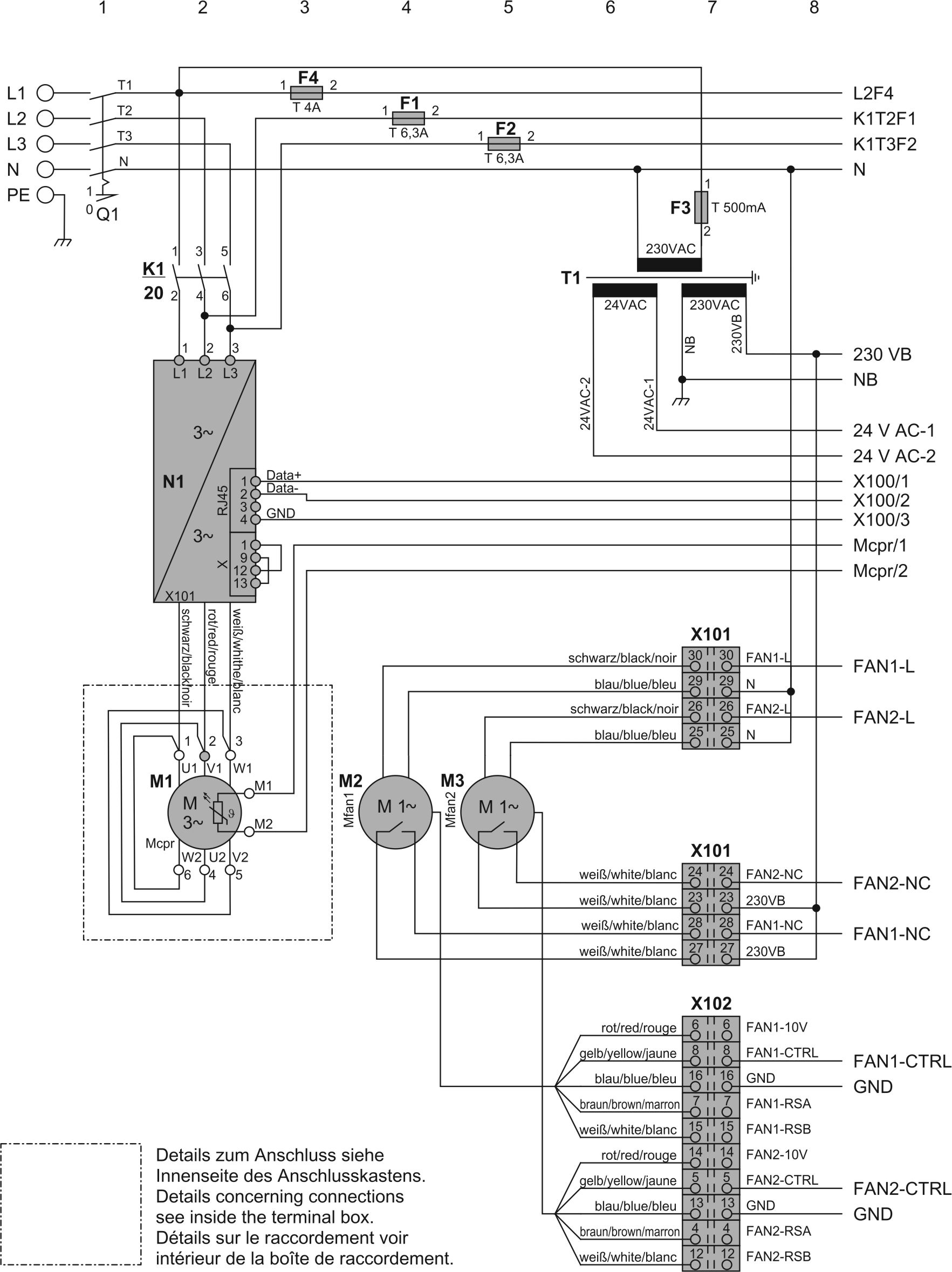
Schaltbild Teil 1: Auslieferungszustand LHV..F1Y
Schaltbild Teil 1: Auslieferungszustand LHV..F1Y
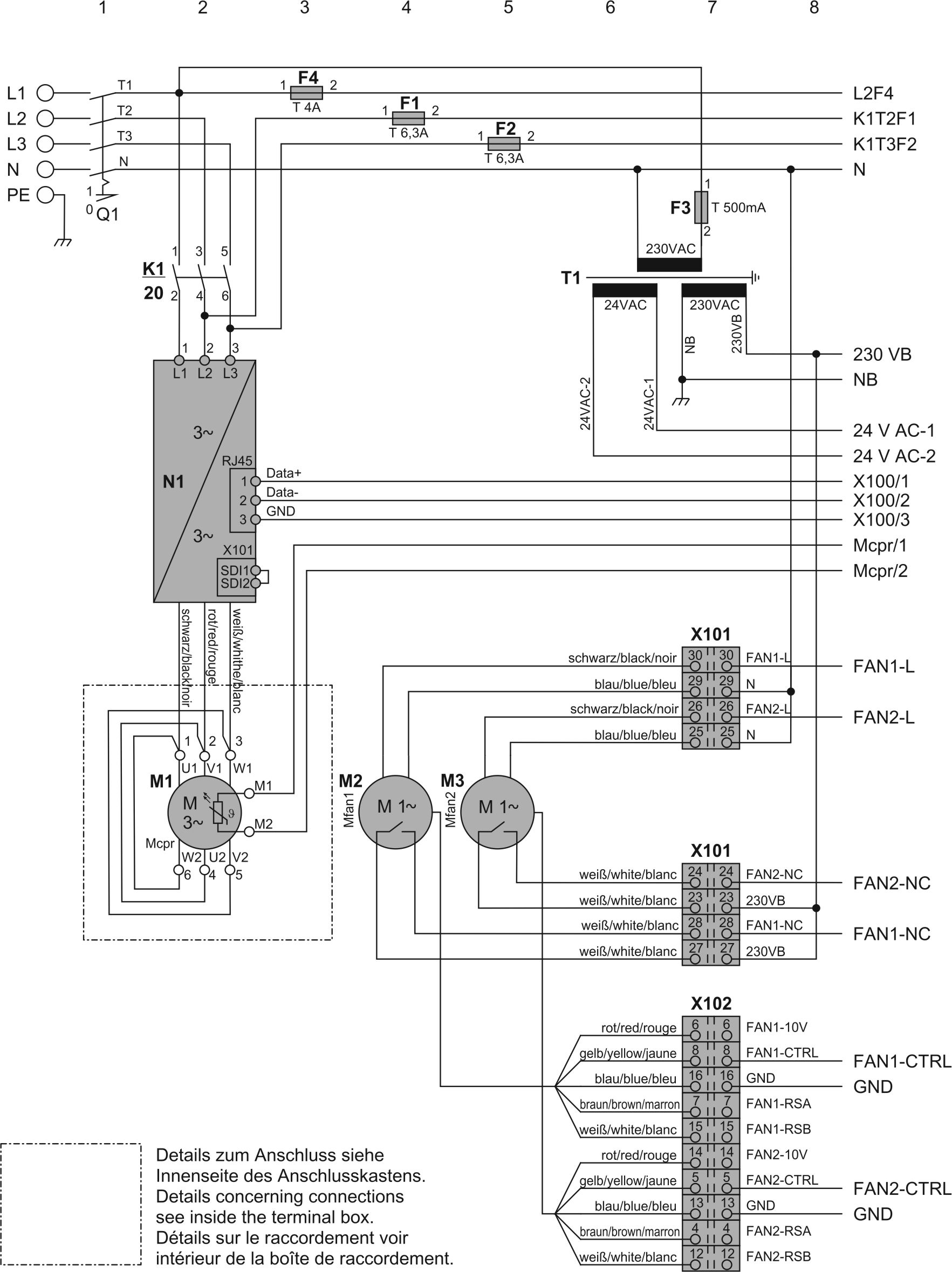
Schaltbild Teil 1: Auslieferungszustand LHV7E..F3Y
Schaltbild Teil 1: Auslieferungszustand LHV7E..F3Y
Schaltbild Teil 1: Auslieferungszustand LHV7E..FY
Schaltbild Teil 1: Auslieferungszustand LHV7E..FY