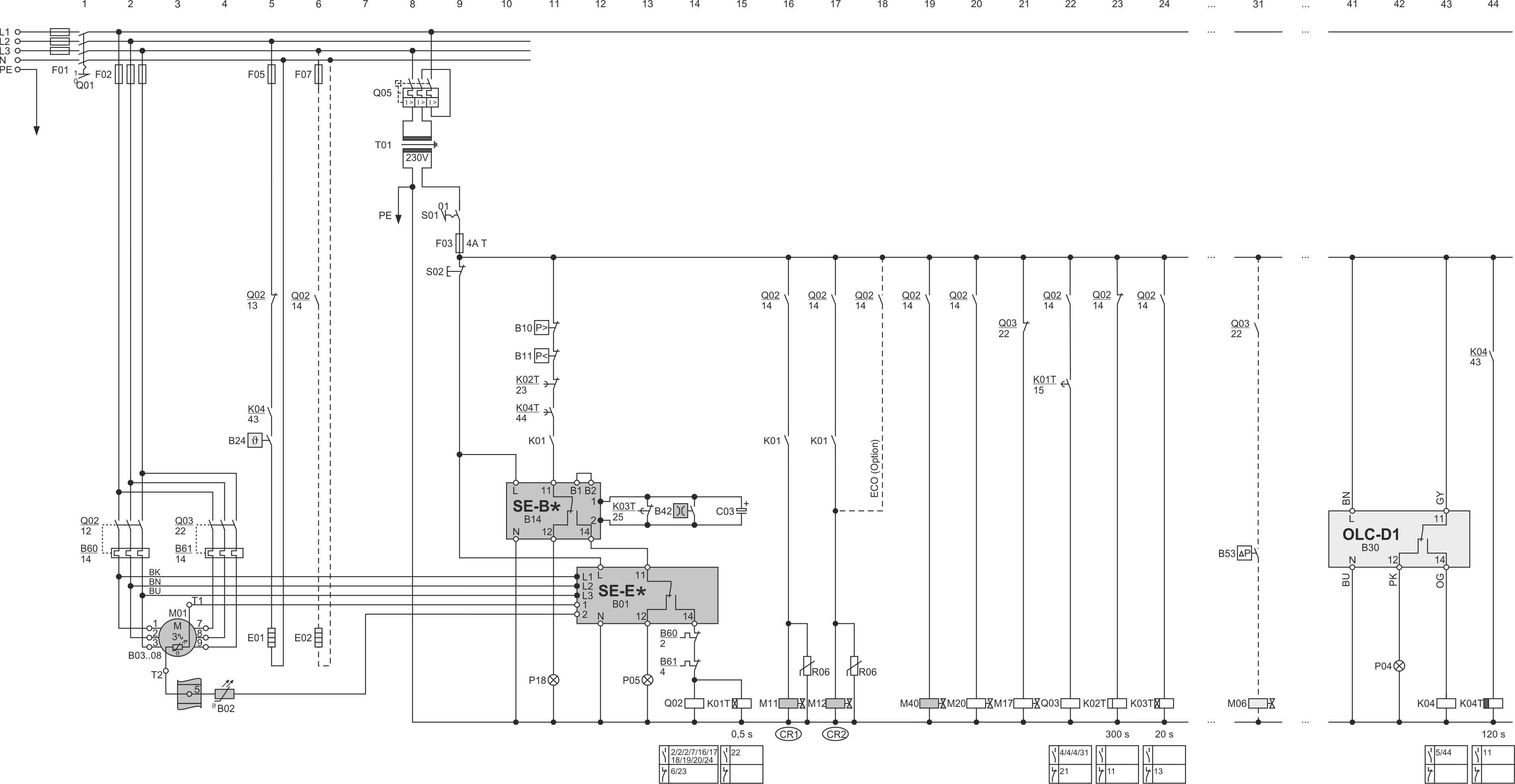
HS.53 .. 74 mit SE-E* und SE-B*

Letzte Bearbeitung des Bilds:
13.02.2025
Abk. | Bauteil |
|---|---|
B01 | Verdichterschutzgerät |
B02 | Druckgastemperaturfühler |
B03 .. 08 | Temperaturfühler in Motorwicklungen |
B10 | Hochdruckschalter |
B11 | Niederdruckschalter |
B14 | zusätzliches Schutzgerät für Ölüberwachung |
B21 | Optionaler Temperaturfühler |
B24 | Ölthermostat |
B30 | Ölniveauwächter |
B32 | Ölniveauwächter am Ölabscheider |
B41 | Ölfilterüberwachung |
B42 | Öldurchflusswächter |
B50 | Hochdruckmessumformer |
B51 | Niederdruckmessumformer |
B53 | ECO-Zuschaltung |
B60 | Überlastschutzeinrichtung |
B61 | Überlastschutzeinrichtung für zweite Teilwicklung |
B62 | Drehrichtungsüberwachung |
C03 | Elektrolytkondensator |
E01 | Ölheizung |
E02 | Anschlusskastenheizung |
F01 | Hauptsicherung |
F02 | Verdichtersicherung |
F03 | Steuerkreissicherung |
F04 | Sicherung des Verdichterschutzgeräts oder Verdichtermoduls |
F05 | Sicherung der Ölheizung |
F07 | Sicherung der Anschlusskastenheizung |
F08 | Sicherung der Drehrichtungsüberwachung |
K01 | Übergeordneter Regler |
K01T | Zeitrelais für Teilwicklungsanlauf oder für Stern-Dreieck-Anlauf |
K02T | Zeitrelais für minimale Verdichterstillstandszeit |
K03T | Zeitrelais für Störung der Ölversorgung |
K04 | Hilfsrelais für Ölüberwachung |
K04T | Zeitrelais für Ölniveauwächter |
K05T | Zeitrelais für die Überwachung der Ölversorgung |
K06T | Zeitrelais für Leistungsregler |
M01 | Verdichtermotor |
M06 | MV für Economiser (ECO) |
M11 | MV für Leistungsregler 1, CR1, CR+, CRII-2 oder Anlaufentlastung |
M12 | MV für Leistungsregler 2, CR2, CR- oder CRII-1 |
M13 | MV für Leistungsregler 3, CR3 oder CRII-3 |
M14 | MV für Leistungsregler CR4 |
M17 | MV für Stillstandsbypass |
M20 | MV für Flüssigkeitsleitung |
M40 | MV in der Öleinspritzleitung |
P03 | Leuchte: Zeitverzögerung ist aktiv |
P04 | Leuchte: Störung der Ölversorgung |
P05 | Leuchte: Verdichterstörung |
P07 | Leuchte: falsche Drehrichtung |
P18 | Leuchte: Ölfilterstörung |
Q01 | Hauptschalter |
Q02 | Schütz für erste Teilwicklung (PW) oder Hauptschütz (Y/Δ) oder Verdichterschütz bei Direktanlauf |
Q03 | Schütz für zweite Teilwicklung (PW) oder Dreieckschütz (Y/Δ) |
Q04 | Sternschütz (Y/Δ) |
Q05 | Steuertransformatorsicherung |
R06 | Entstörglied (bei Bedarf, z. B. Murr Elektronik) |
S01 | Steuerschalter (ein/aus) |
S02 | Entriegelung der Verdichtersicherheitskette |
S18 | Entriegelung der Ölfilterüberwachung |
T01 | Steuertransformator (Beispiel für 230 V, erforderlich gemäß EN60204-1) |
Weiterführende technische Dokumente: