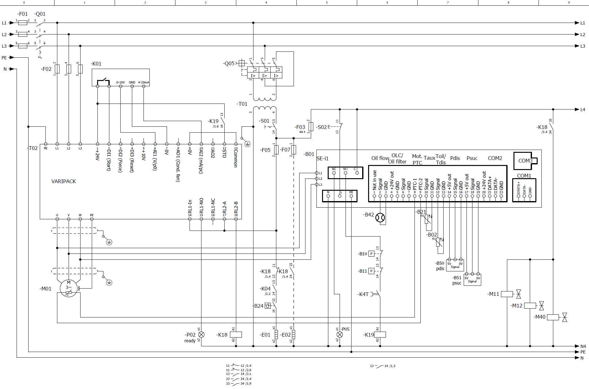
HS.53 .. 74 mit VARIPACK und SE-i1
Letzte Bearbeitung des Bilds:
13.07.2021
Abk. | Bauteil |
|---|---|
B01 | Verdichterschutzgerät |
B02 | Druckgastemperaturfühler |
B10 | Hochdruckschalter |
B11 | Niederdruckschalter |
B12 | Öldifferenzdruckschalter |
B21 | Optionaler Temperaturfühler |
B24 | Ölthermostat |
B30 | Ölniveauwächter |
B41 | Ölfilterüberwachung |
B42 | Öldurchflusswächter |
B50 | Hochdruckmessumformer |
B51 | Niederdruckmessumformer |
B53 | ECO-Zuschaltung |
E01 | Ölheizung |
E02 | Anschlusskastenheizung |
F01 | Hauptsicherung |
F02 | Verdichtersicherung |
F03 | Steuerkreissicherung |
F05 | Sicherung der Ölheizung |
F07 | Sicherung der Anschlusskastenheizung |
K01 | Übergeordneter Regler |
K04 | Hilfsrelais für Ölüberwachung |
K04T | Zeitrelais für Ölniveauwächter |
K14 | Hilfsrelais |
K18 | Hilfsrelais: FU gibt Leistungsspannung/Drehfeld für Motor aus |
K19 | Hilfsrelais: Sicherheitskette ist freigeschaltet |
K23 | Erweiterungsmodul |
M01 | Verdichtermotor |
M03 | Ventilator 1 |
M06 | MV für Economiser (ECO) |
M11 | MV für Leistungsregler 1, CR1, CR+, CRII-2 oder Anlaufentlastung |
M12 | MV für Leistungsregler 2, CR2, CR- oder CRII-1 |
M13 | MV für Leistungsregler 3, CR3 oder CRII-3 |
M14 | MV für Leistungsregler CR4 |
M17 | MV für Stillstandsbypass |
M20 | MV für Flüssigkeitsleitung |
M40 | MV in der Öleinspritzleitung |
P02 | Leuchte: Verdichter ist betriebsbereit |
P04 | Leuchte: Störung der Ölversorgung |
P05 | Leuchte: Verdichterstörung |
Q01 | Hauptschalter |
Q05 | Steuertransformatorsicherung |
S01 | Steuerschalter (ein/aus) |
S02 | Entriegelung der Verdichtersicherheitskette |
S04 | Entriegelung der Ölüberwachung |
S13 | Verflüssigungstemperatur: Umschaltung auf 2. Sollwert |
S14 | Verdampfungstemperatur: Umschaltung auf 2. Sollwert |
T01 | Steuertransformator (Beispiel für 230 V, erforderlich gemäß EN60204-1) |
T02 | Frequenzumrichter (FU) |
Weiterführende technische Dokumente:

